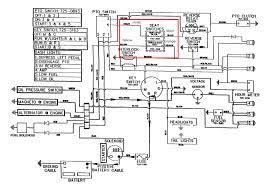
Cub Cadet Rzt Wiring - Cub Cadet Xz2 107 17cicbds603 2019 Wiring Diagram Spareparts 725 06074b Harn Rzt S Rev Rmc - Cub cadet 2182 series wiring schematic.

Cub Cadet Rzt Wiring - Cub Cadet Xz2 107 17cicbds603 2019 Wiring Diagram Spareparts 725 06074b Harn Rzt S Rev Rmc - Cub cadet 2182 series wiring schematic.. Each part should be placed and linked to different parts in particular way. Diy mower will not crank safety switch diagnosis and my cub cadet rzt would not crank safety switch diagnosis and repair cub cadet rtz ztr how safety switches work on your cub cadet key switch diagram imageresizertool cub cadet key switch diagram furthermore pto switch wiring diagram further manual pto as well as 36 volt ez go golf cart wiring diagram to her with Wiring diagram arrives with a number of easy to follow wiring diagram guidelines. Electrical wiring diagrams may be found in the operator's manual. Cub cadet 2182 series wiring schematic.

But unfortunately, people are facing a lot of cub cadet rzt 42 problems while using this zero turn mower. Otherwise, the structure won't function as it ought to be. Ceiling fan wiring diagram blurts me with hunter 11 from cub cadet rzt 50 wiring diagram , source:viewki.me. You can go there and look. These instructions will probably be easy to understand and implement.

Cub Cadet Zero Turn Rzt L 50 17arcacq330 2015 Wiring Diagram Spareparts
Cub Cadet Zero Turn Rzt L 50 17arcacq330 2015 Wiring Diagram Spareparts from www.motoruf.com
Cub cadet rzt 50 pto switch wiring diagram. Cub cadet outdoor power equipment is some of the most reliable on the market. Cub cadet is a company that builds equipment to make the outdoor life of people convenient with a belief in possibilities. Select the model and year then browse the parts diagrams to find the right part. Here you find the spare parts for cub cadet wiring diagram 17ae2acg603 (2009) and you can order them online. Wire harness for the pto on the rzt's is designed dangerously near the drive pulley. Cub cadet rzt 50 wiring diagram you ll need a comprehensive expert and easy to comprehend wiring diagram. Rzt series tractor — model rzt form no.

Cub cadet rzt diagrams and manuals.

For cub cadet wiring harness. Wiring diagram not only gives in depth illustrations of what you can perform, but in addition the procedures you ought to follow while performing so. Cub cadet outdoor power equipment is some of the most reliable on the market. Ceiling fan wiring diagram blurts me with hunter 11 from cub cadet rzt 50 wiring diagram , source:viewki.me. It really is intended to assist each of the common consumer in developing a suitable system. View all riding lawn mowers. For electrical diagrams for specific engines and independent brands, see below. It instructs you how to.summary of contents for cub cadet rzt 50 page 1 federal laws apply on federal lands, a spark arrester for the muffler is available through your nearest engine. Diy mower will not crank safety switch diagnosis and my cub cadet rzt would not crank safety switch diagnosis and repair cub cadet rtz ztr how safety switches work on your cub cadet key switch diagram imageresizertool cub cadet key switch diagram furthermore pto switch wiring diagram further manual pto as well as 36 volt ez go golf cart wiring diagram to her with Cub cadet safety switch diagram. I need the specs for all the wiring from the kolher command motor to the cub cadet look at the wiring color codes and their purpose in the briggs manual, compare to the wiring color codes and purpose for the kohler engine in manual, connect accordingly. Cub cadet 2176 series wiring schematic. It really is supposed to aid all the typical person in creating a correct method.

Please read this entire manual prior to operating the equipment. I need a wiring diagram for a rzt 50 inch cub cadet zero turn mower. Cub cadet rzt 50 wiring diagram ~ thanks for. Cub cadet 2176 series wiring schematic. Please use the following links to contact the engine manufacturers via their web.

Solved I Need A Wiring Diagram For A Cub Cadet Rzt L 54 Fixya
Solved I Need A Wiring Diagram For A Cub Cadet Rzt L 54 Fixya from www.fixya.com
Cub cadet rzt 50 manual online: Cub cadet utility vehicles utv are intended for off road use by adults only. It really is intended to assist each of the common consumer in developing a suitable system. Cub cadet rzt 50 wiring diagram ~ thanks for. This is a step by step instructional video on the replacement of a starter solenoid on a cub cadet rzt zero turn lawn mower. Of 31 ft lbs (42 nm). Wiring diagram cub cadet rzt diagram for rzt posted by anonymous on aug 07, want answer 0. Wiring diagram arrives with a number of easy to stick to wiring diagram instructions.

Factor direct from cub cadet.mar 23, · pto blows the fuse everytime i engage it on my rzt 50 cub cadet mower.

It will help you assemble, prepare, maintain and safely operate your machine. Cub cadet safety switch diagram. Wire harness for the pto on the rzt's is designed dangerously near the drive pulley. I need the specs for all the wiring from the kolher command motor to the cub cadet look at the wiring color codes and their purpose in the briggs manual, compare to the wiring color codes and purpose for the kohler engine in manual, connect accordingly. Please use the following links to contact the engine manufacturers via their web. And after this, this can be the initial impression: Cub cadet rzt 50 pto switch wiring diagram. Rzt 22 17aa5a7p712 cub cadet 50 rzt zero turn mower. Cub cadet rzt 50 wiring diagram you ll need a comprehensive expert and easy to comprehend wiring diagram. Ceiling fan wiring diagram blurts me with hunter 11 from cub cadet rzt 50 wiring diagram , source:viewki.me. Honestly, we also have been noticed that cub cadet rzt 50 parts diagram is being just about the most popular field right now. Wire harness for the pto on the rzt s is designed dangerously near the drive pulley. Cub cadet 2176 series wiring schematic.

Ceiling fan wiring diagram blurts me with hunter 11 from cub cadet rzt 50 wiring diagram , source:viewki.me. It really is supposed to aid all the typical person in creating a correct method. Otherwise, the structure won't function as it ought to be. Clicking this will make more experts see the question and we will remind you when it gets answered. Please use the following links to contact the engine manufacturers via their web.

Diagram Cub Cadet 123 Wiring Diagram Full Version Hd Quality Wiring Diagram Ritualdiagrams Umbertideturismo It
Diagram Cub Cadet 123 Wiring Diagram Full Version Hd Quality Wiring Diagram Ritualdiagrams Umbertideturismo It from lh3.googleusercontent.com
Cub cadet rzt diagrams and manuals. The operator's manual is an important part of your new outdoor power equipment. Wiring diagram not only gives in depth illustrations of what you can perform, but in addition the procedures you ought to follow while performing so. You can go there and look. These instructions will probably be easy to understand and implement. Rzt 22 17aa5a7p712 cub cadet 50 rzt zero turn mower. Rzt42 where to find wiring diagram i uploaded the rzt service manual here schematron.org there are a couple of wiring diagrams on the last two pages. Cub cadet rzt 50 wiring diagram ~ thanks for.

It will help you assemble, prepare, maintain and safely operate your machine.

For cub cadet wiring harness. Honestly, we also have been noticed that cub cadet rzt 50 parts diagram is being just about the most popular field right now. Please use the following links to contact the engine manufacturers via their web. Cub cadet rzt 50 manual online: Each part should be placed and linked to different parts in particular way. But unfortunately, people are facing a lot of cub cadet rzt 42 problems while using this zero turn mower. We are your partner for cub cadet spare parts. Rzt series tractor — model rzt form no. Cub cadet rzt diagrams and manuals. Cub cadet is a company that builds equipment to make the outdoor life of people convenient with a belief in possibilities. It will help you assemble, prepare, maintain and safely operate your machine. Rzt 22 17aa5a7p712 cub cadet 50 rzt zero turn mower. These guidelines will probably be easy to grasp and apply.